网站首页
产品中心
关于我们
经典案例
供应商平台
新闻资讯
联系我们
EN
固定孔固定座
首页 产品中心 固定孔固定座
产品介绍
·Material: Nylon 66 (UL)
·Flame Class: 94V-2/94V-0
.Color: Natural/Black
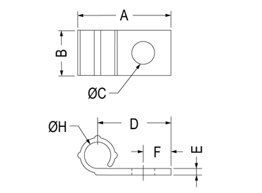
·Unit:mm
配合螺丝,固定电线,整齐美观。
产品参数


型号 A B C D E F H 包装
CD-6 21.2 10.3 5.2 16.7 1.5 6.3 6 500
CD-6S 21.2 10.3 3.2 16.7 1.5 6.3 6
CD-9.2 20.6 10.2 5.2 14 1.3 4.4 9.2
CD-9.2S 20 10.2 3.2 13.45 1.3 4.5 9.2


业务部

联系人:张经理

手机:13776084214

座机:0512-66892041-803

联系人:吴经理

手机:18360233109

座机:0512-66892041-802

联系我们

公司总机:0512-66892041

传  真:0512-66890341

公司邮箱:zhanghaiyang@sz-jite.com

公司网址:www.sz-jite.com

公司地址:江苏省苏州市吴中区木渎镇 木东路317号

扫码手机浏览

扫一扫,关注我们

Copyright © 2022 苏州集特电工有限公司 备案号:苏ICP备2022045262号

技术支持:仕德伟科技