Home
Product
About
Case
Supplier Platform
News
Contact
CN
Anti-static fixing seat
Home Product Anti-static fixing seat
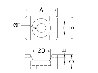
Product Introduction
·Material: Nylon 66 (UL)
·Flame Class: 94V-2/94V-0
.Color: Natural/Black
·Unit:mm

Fix it to the machine board with screws and fix the wires with tie straps.

Color: Black/White; other colors are customizable.

Product parameters


Part No. A B C D E F H Package
TM-2S6 14.9 9.6 7.2 7.8 1.5 3.7 5.6 1000
TM-2S8 14.9 9.6 7.2 7.8 1.5 4.5 5.6
TM-3S8 22 16 9.6 8 2.3 4.5 9.2 500
TM-3S10 22 16 9.6 9.6 2.3 4.8 9.2
TM-3S25 22 16 9.6 12.7 2.3 6.4 9.2


business department

Contact person: Manager Zhang

Mobile: 13776084214

Telephone number: 0512-66892041-803

Contact person: Manager Wu

Mobile: 18360233109

Landline: 0512-66892041-802

Contact

Company switchboard: 0512-66892041

Pass&emsp& Emsp; True: 0512-66890341

Company email: zhanghaiyang@sz-jite.com

Company website: www.sz-jite.com

Company address: 317 Mudong Road, Mudu Town, Wuzhong District, Suzhou City, Jiangsu Province

Scan code on mobile browsing

Scan and follow us

Copyright © 2022 Suzhou Jite Electric Co., Ltd Filing number:苏ICP备2022045262号

Technical support: Shidewei Technology